МИНИСТЕРСТВО ВНУТРЕННИХ ДЕЛ
РОССИЙСКОЙ ФЕДЕРАЦИИ
ГОСУДАРСТВЕННАЯ ПРОТИВОПОЖАРНАЯ СЛУЖБА
ШКАФЫ ПОЖАРНЫЕ.
ТЕХНИЧЕСКИЕ ТРЕБОВАНИЯ
ПОЖАРНОЙ БЕЗОПАСНОСТИ.
МЕТОДЫ ИСПЫТАНИЙ
НПБ 151-2000
МОСКВА 2001
Разработаны Федеральным государственным учреждением «Всероссийский ордена «Знак Почета» научно-исследовательский институт противопожарной обороны Министерства внутренних дел Российской Федерации» (ФГУ ВНИИПО МВД России) (В.И. Логинов, С.М. Ртищев, Ю.А. Федотов).
Внесены и подготовлены к утверждению отделом пожарной техники и вооружения Главного управления Государственной противопожарной службы Министерства внутренних дел Российской Федерации (ГУГПС МВД России).
Утверждены приказом ГУГПС МВД России от 27 декабря 2000 г. № 79.
Дата введения в действие 1 марта 2001 г.
С введением в действие НПБ 151-2000 утрачивают силу НПБ 151-96, утвержденные приказом ГУГПС МВД России от 28.06.1996 г. № 40, с изменениями и дополнениями, внесенными в соответствии с приказом ГУГПС МВД России от 21.12.1999 г. № 99.
МИНИСТЕРСТВО ВНУТРЕННИХ ДЕЛ
РОССИЙСКОЙ ФЕДЕРАЦИИ
ГОСУДАРСТВЕННАЯ ПРОТИВОПОЖАРНАЯ СЛУЖБА
ШКАФЫ ПОЖАРНЫЕ.
ТЕХНИЧЕСКИЕ ТРЕБОВАНИЯ
ПОЖАРНОЙ БЕЗОПАСНОСТИ.
МЕТОДЫ ИСПЫТАНИЙ
FIRE-FIGHTING CABINET.
TECHNICAL REQUIREMENTS OF FIRE SAFETY.
TEST METHODS
НПБ 151-2000
1. ОБЛАСТЬ ПРИМЕНЕНИЯ
1.1. Нормы пожарной безопасности (далее - нормы) распространяются на пожарные шкафы (ШП) и устанавливают технические требования пожарной безопасности к ним, а также методы их испытаний. Пожарные шкафы размещают в зданиях и сооружениях, имеющих внутренний противопожарный водопровод с расходом воды в соответствии со СНиП 2.04.01*.
(Измененная редакция. Изм. № 1).
1.2. Настоящие нормы применяются на стадиях разработки, изготовления и испытания ШП в целях подтверждения соответствия ШП установленным требованиям при сертификации в Системе сертификации продукции и услуг в области пожарной безопасности.
1.3. Настоящие нормы не распространяются на ШП, устанавливаемые на спаренных пожарных стояках.
1.4. Настоящие нормы могут использоваться как типовая программа и методика приемочных и квалификационных испытаний ШП.
2. ТЕРМИНЫ И ОПРЕДЕЛЕНИЯ
В настоящих нормах используются следующие термины с соответствующими определениями:
2.1. Пожарный шкаф - шкаф, предназначенный для размещения и обеспечения сохранности комплекта пожарного крана и (или) переносного(ых) огнетушителя(ей).
(Измененная редакция. Изм. № 1).
2.2. Пожарный кран (ПК) - комплект, состоящий из клапана, установленного на противопожарном водопроводе и оборудованного пожарной соединительной головкой, а также пожарного рукава с ручным пожарным стволом.
2.3. Напорный пожарный рукав - гибкий трубопровод, который оборудован рукавными пожарными соединительными головками и служит для подачи воды и водных растворов пенообразователей под избыточным давлением на место пожара.
2.4. Соединительные головки для пожарного оборудования - быстросмыкаемая арматура для соединения рукавов между собой и присоединения их к пожарному оборудованию и пожарным насосам.
2.5. Пожарный запорный клапан - клапан, предназначенный для перекрытия потока воды.
2.6. Рукавная кассета - устройство для размещения в ШП напорного пожарного рукава, уложенного «в гармошку» или «в скатку».
2.7. Двойная рукавная скатка - вид укладки напорного пожарного рукава, при которой рукав складывается пополам, затем скатывается от места перегиба к концам, а соединительные головки располагаются снаружи скатки.
2.8. Ручной пожарный ствол - устройство, предназначенное для формирования и направления сплошной или распыленной струй воды или воздушно-механической пены низкой кратности при тушении пожаров.
3. ОБЩИЕ ПОЛОЖЕНИЯ
3.1. Пожарные шкафы должны соответствовать требованиям климатического исполнения У, категория размещения 4 по ГОСТ 15150. Температурный диапазон эксплуатации от 5 до 45 °С при относительной влажности до 90 %, транспортирования и хранения - от минус 40 до 45 °С.
3.2. Конструкторская документация (КД) на ШП отечественного производства должна быть оформлена в соответствии с требованиями ЕС КД, откорректирована по результатам испытаний установочной серии с присвоением КД в установленном порядке литеры «А».
3.3. Эксплуатационная документация на продукцию, импортируемую российским потребителям, должна быть на русском языке и соответствовать требованиям ГОСТ 2.601.
3.4. Сведения, содержащиеся на изделии и поясняющие порядок его применения, правила безопасности и др., должны быть на русском языке.
3.5. Пожарные шкафы, изготавливаемые отечественными предприятиями, допускаются к сертификационным испытаниям в области пожарной безопасности, если они прошли все стадии и этапы разработки, предусмотренные ГОСТ Р 15.201, ГОСТ 2.103, имеют полный комплект документации на серийное производство с литерой «А».
(Измененная редакция. Изм. № 1).
3.6. Экспертиза конструкторской документации является обязательной при организации и проведении сертификационных испытаний в области пожарной безопасности.
3.7. По решению заказчика допускается установка в ШП кнопок дистанционного пуска пожарных насосов, кнопок системы дымоудаления или тревожной сигнализации.
3.8. Пожарные шкафы подразделяют на:
навесные;
встроенные;
приставные.
Навесные ШП устанавливают (навешивают) на стенах внутри зданий или сооружений.
Встроенные ШП устанавливают в нишах стен.
Приставные ШП могут быть установлены как у стен, так и в нишах стен, при этом они опираются на поверхность пола.
Примерные схемы размещения комплектующих изделий в ШП и укладки рукавов в кассете представлены на рисунке 1.

Рисунок 1. Схемы размещения комплектующих изделий в ШП:
а - двойная скатка; б - горизонтальная «гармошка»; в - вертикальная «гармошка»
(Измененная редакция. Изм. № 1).
3.9. Переносные огнетушители можно размещать как в общем, так и в отдельном отсеке ШП, а также в отдельном шкафу.
3.10. Установка запорных клапанов на внутреннем водопроводе зданий (сооружений) должна выполняться с соблюдением требований СНиП 2.04.01* и обеспечивать:
удобство охвата рукой маховичка клапана и его вращение;
удобство присоединения рукава и исключение его резкого перегиба при прокладывании в любую сторону;
удобство доступа к огнетушителям и беспрепятственное развертывание рукавной линии.
(Измененная редакция. Изм. № 1).
4. ТЕХНИЧЕСКИЕ ТРЕБОВАНИЯ ПОЖАРНОЙ БЕЗОПАСНОСТИ
4.1. Пожарные шкафы должны изготавливаться по конструкторской документации, утвержденной в установленном порядке.
4.2. Огнетушители и комплектующие пожарного крана, предназначенные для размещения в шкафу, должны соответствовать требованиям нормативных документов:
напорные пожарные рукава - ГОСТ Р 51049, НПБ 152;
соединительные головки - ГОСТ 28352, НПБ 153;
пожарные запорные клапаны - НПБ 154;
ручные пожарные стволы - НПБ 177;
переносные огнетушители - ГОСТ Р 51057, НПБ 155.
(Измененная редакция. Изм. № 1).
4.2.1. Пожарные шкафы предназначены для размещения ПК с оборудованием, имеющим условные проходы 40, 50 или 70 (клапаны DN 40, 50 и 65), и рукавами диаметром 38, 51 и 66 мм соответственно. Длина рукавов 10, 15 или 20 м.
В качестве пожарных запорных клапанов допускается использовать запорные клапаны общепромышленного назначения, соответствующие требованиям НПБ 154. Клапаны, изготовленные из чугуна, должны быть окрашены в красный цвет в соответствии с ГОСТ 14202 и ГОСТ 12.4.026.
(Измененная редакция. Изм. № 1).
4.2.2. Исключен. Изм. № 1.
4.3. Типоразмерный ряд ШП определяется в зависимости от количества и размеров размещаемых в них клапанов, рукавов, стволов, переносных огнетушителей.
Типы и основные параметры шкафов должны соответствовать указанным в таблице 1.
Таблица 1
| Тип ШП | Количество ПК в шкафу, шт. | Количество переносных огнетушителей | Масса, кг, не более |
|---|---|---|---|
| Шкаф пожарный ШП-01 | 1 | - | 35 |
| ШП-02 | 1 | 1 | 40 |
| ШП-03 | 1 | 2 | 60 |
| ШП-04 | 2 | 2 | 55 |
| ШП-05 | - | 2 | 25 |
Глубина ШП всех типов должна быть не более 300 мм.
(Измененная редакция. Изм. № 1).
4.4. Пожарный шкаф должен изготавливаться из листовой стали любой марки толщиной 1,0 ... 1,5 мм.
Допускается изготавливать ШП из других материалов, обеспечивающих выполнение требований настоящих норм.
4.5. Поворотная кассета должна поворачиваться в горизонтальной плоскости на угол не менее 90 градусов.
(Измененная редакция. Изм. № 1).
4.6. Дверки ШП должны иметь прозрачную вставку, позволяющую проводить визуальную проверку наличия комплектующих изделий.
Допускается изготавливать ШП без прозрачных вставок, при этом на дверки ШП должна быть нанесена информация о составе комплектующих изделий.
4.7. Дверки ШП должны иметь конструктивные элементы для их опломбирования и запирания, позволяющие безопасно открывать шкаф в экстренных случаях в течение не более 15 с.
(Измененная редакция. Изм. № 1).
4.8. Дверки ШП должны свободно открываться на угол не менее 160 градусов и позволять быстро и беспрепятственно разворачивать рукавную линию и доставать огнетушители.
(Измененная редакция. Изм. № 1).
4.9. Конструкция ШП должна обеспечивать его естественную вентиляцию. Вентиляционные отверстия должны располагаться в верхних и нижних частях дверок или на боковых поверхностях стенок ШП.
Допускаются другие конструктивные решения обеспечения естественной вентиляции ШП.
4.10. В конструкции ШП следует предусмотреть возможность его крепления к строительным конструкциям.
4.11. На боковых поверхностях стенок должны быть входные отверстия для трубопроводов, имеющие диаметр, который соответствует условному проходу комплектующих изделий ПК.
4.12. Поверхности ШП не должны иметь вмятин, коробления, острых кромок и других дефектов, ухудшающих качество и товарный вид изделия.
4.13. Детали ШП должны иметь лакокрасочные защитные покрытия не ниже IV класса по ГОСТ 9.032, группы условий эксплуатации 4 по ГОСТ 9.104.
Рекомендуется окраску ШП проводить по грунтовке ГФ-021, ГОСТ 25129, эмалью ПФ-115, ГОСТ 6465, в два слоя, цвет покрытия - в соответствии с технической документацией или по согласованию с заказчиком.
4.14. Металлические покрытия узлов и деталей ШП должны соответствовать требованиям ГОСТ 9.303, группа условий эксплуатации 1 по ГОСТ 15150.
4.15. Буквенные обозначения, надписи и пиктограммы на внешних сторонах стенок ШП должны быть красного сигнального цвета по ГОСТ 12.4.026. На внешней стороне дверки должен быть буквенный индекс, включающий в себя аббревиатуру «ПК» и (или) условное обозначение ПК и переносных огнетушителей по НПБ 160, и должно быть предусмотрено место для нанесения порядкового номера ШП и номера телефона ближайшей пожарной части в соответствии с ГОСТ 12.4.009. На дверках ШП, где размещены переносные огнетушители, должен быть изображен соответствующий указательный знак пожарной безопасности по НПБ 160.
4.16. Пожарный шкаф должен выдерживать статическую нагрузку, превышающую в полтора раза массу размещаемых в нем огнетушителей и (или) комплектующих пожарного крана. Поворотная кассета должна выдерживать статическую нагрузку не менее 300 Н.
(Измененная редакция. Изм. № 1).
4.17. Комплектность
4.17.1 В состав ШП входят собственно шкаф и паспорт по ГОСТ 2.601.
Кроме того, в состав ШП могут входить:
пожарный кран (включающий в себя клапан с пожарной соединительной головкой и пожарный рукав с ручным пожарным стволом);
переносной(ые) огнетушитель(и).
4.17.2. В паспорте на ШП должны содержаться следующие сведения:
данные об изготовителе;
основные параметры и размеры;
примерная схема размещения комплектующих ПК и (или) огнетушителей;
комплектность;
заметки по эксплуатации, транспортированию и хранению;
отметка о приемке;
гарантии изготовителя.
Пункт 4.17 (Измененная редакция. Изм. № 1).
4.18. Маркировка
4.18.1. На каждом ШП, в месте, указанном на чертеже, должна быть маркировка, сохраняющаяся в течение всего срока эксплуатации и включающая в себя следующие данные:
наименование и (или) товарный знак предприятия-изготовителя;
условное обозначение ШП;
дату изготовления (год, месяц).
4.18.2. Маркировка транспортной тары должна соответствовать ГОСТ 14192.
4.19. Упаковка
4.19.1. Для транспортирования ШП должны быть упакованы в коробки из гофрированного картона, по ГОСТ 7376, или других материалов, обеспечивающих сохранность шкафа.
4.19.2. Паспорт должен быть упакован в соответствии с ГОСТ 23170 и вложен внутрь ШП.
5. ВИДЫ ИСПЫТАНИЙ
5.1. Для контроля качества ШП и в соответствии с требованиями настоящих норм и технической документации проводят следующие испытания:
приемочные;
квалификационные;
приемо-сдаточные;
периодические;
типовые;
сертификационные.
5.2. Объем испытаний приведен в таблице 2.
Таблица 2
| Проверяемый показатель | Пункт настоящих норм | Вид испытаний | ||||
|---|---|---|---|---|---|---|
| Технические требования | Методы испытаний | Приемочные, квалификационные | Приемосдаточные | Периодические | Сертификационные | |
| Соответствие ШП НТД | 4.1 | 6.2 | + | - | - | + |
| Комплектующие изделия (при их наличии) | 4.2 | 6.3 | + | + | + | + |
| Наличие: прозрачной вставки | 4.6 | 6.4 | + | + | + | + |
| устройства для опломбирования и запирания | 4.7 | 6.4 | + | + | + | + |
| вентиляционных отверстий | 4.9 | 6.4 | + | + | + | + |
| элементов крепления к строительным конструкциям | 4.10 | 6.4 | + | + | + | + |
| отверстий для трубопровода | 4.11 | 6.5 | + | + | + | + |
| Габаритные размеры | 4.3 | 6.5 | + | + | + | + |
| Масса ШП | 4.3 | 6.6 | + | - | - | + |
| Угол поворота кассеты и дверок шкафа | 4.5, 4.8 | 6.7 | + | - | + | + |
| Толщина стального листа | 4.4 | 6.5 | + | - | - | - |
| Внешний вид | 4.12 | 6.4 | + | + | + | + |
| Качество защитных покрытий | 4.13 | 6.8 | + | - | - | + |
| 4.14 | 6.9 | + | + | - | + | |
| Внешнее оформление дверок шкафов | 4.15 | 6.4 | + | + | + | + |
| Испытание статической нагрузкой | 4.16 | 6.10 | + | - | - | + |
| Размещение комплектующих изделий в шкафу | 4.2 | 6.11 | + | - | - | + |
| Комплектность | 4.17 | 6.4 | + | + | + | + |
| Маркировка | 4.18 | 6.4 | + | + | + | + |
| Упаковка | 4.19 | 6.4 | - | - | - | + |
(Измененная редакция. Изм. № 1).
5.3. Объем типовых испытаний устанавливают в зависимости от вносимых конструктивных или иных изменений, способных повлиять на основные параметры ШП, и согласовывают в установленном порядке.
5.4. На сертификационные испытания представляют по три образца ШП каждого типа. Количество образцов для проведения испытаний остальных видов устанавливается в технических условиях на конкретные ШП.
6. МЕТОДЫ ИСПЫТАНИЙ
6.1. Все испытания, если это не оговорено отдельно, должны проводиться при нормальных климатических условиях по ГОСТ 15150:
температура окружающей среды от 10 до 35 °С;
атмосферное давление (84,0 - 106,7) кПа;
относительная влажность воздуха (45 - 80) %.
6.2. Экспертиза конструкторской документации ШП (п. 4.1) проводится путем определения ее соответствия требованиям настоящих норм.
6.3. Комплектующие изделия ШП должны иметь сертификаты пожарной безопасности.
При отсутствии сертификатов комплектующие изделия подвергают испытаниям на соответствие требованиям государственных стандартов или норм пожарной безопасности (п. 4.2) и составляют протоколы испытаний.
При сертификационных испытаниях ШП сертификаты пожарной безопасности на отдельные комплектующие изделия не выдаются.
6.4. Посредством внешнего осмотра и сличения с документацией проверяют:
а) наличие:
прозрачной вставки (п. 4.6) и содержимого ШП (п. 4.2);
устройства для опломбирования и запирания (п. 4.7);
вентиляционных отверстий (п. 4.9);
элементов крепления к строительным конструкциям (п. 4.10);
дефектов внешнего вида (п. 4.12);
б) внешнее оформление дверок (п. 4.15);
в) комплектность (п. 4.17);
г) маркировку (п. 4.18);
д) упаковку (п. 4.19).
е) время открывания дверок (п. 4.7) фиксируют по секундомеру с ценой деления не более 0,2 с.
(Измененная редакция. Изм. № 1).
6.5. Габаритные размеры ШП (п. 4.3) измеряют рулеткой или линейкой с ценой деления не более 1 мм, толщину листового металла (п. 4.4) и диаметры входных отверстий трубопроводов (п. 4.11) - штангенциркулем с погрешностью измерения не более 0,1 мм.
6.6. Массу ШП (без комплектующих изделий) (п. 4.3) определяют взвешиванием на весах с пределом измерения до 100 кг и погрешностью измерения не более 0,05 кг.
6.7. Угол поворота кассеты (п. 4.5) и дверок ШП (п. 4.8) проверяют с помощью угломера, по ГОСТ 5378.
6.8. Проверку качества лакокрасочных покрытий ШП (п. 4.13) проводят по ГОСТ 9.032. При сертификационных испытаниях проверяют качество покрытий визуально, внешним осмотром.
6.9. Проверку качества металлических и неметаллических покрытий узлов и деталей ШП (п. 4.14) проводят по ГОСТ 9.302. При сертификационных испытаниях проверяют качество покрытий визуально, внешним осмотром.
6.10. Прочность ШП (п. 4.16) проверяют приложением равномерно распределенной нагрузки по месту установки в нем огнетушителей и (или) комплектующих пожарного крана.
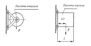
Для испытаний шкафы устанавливают в соответствии со способом установки их в зданиях и сооружениях. После воздействия нагрузки в течение не менее 24 ч конструктивные элементы шкафа должны сохранять свою работоспособность и не иметь деформаций. Прочность поворотной кассеты проверяют воздействием в течение 24 ч статической нагрузки (300+10) Н, приложенной к кассете, повернутой на 90 градусов к задней стенке шкафа. Кассета должна сохранять свою работоспособность и не иметь деформаций. Схемы приложения нагрузки представлены на рисунке 2.
Рисунок 2. Схемы приложения статической нагрузки (Р)
к поворотной кассете
6.11. Проверку размещения комплектующих изделий в ШП и удобства их обслуживания (п. 4.2) проводят имитацией практической работы и визуальным контролем.
Пункты 6.7 - 6.11 (Измененная редакция. Изм. № 1).
7. НОРМАТИВНЫЕ ССЫЛКИ
В настоящих нормах использованы ссылки на следующие нормативные документы:
СНиП 2.04.01-85* Внутренний водопровод и канализация зданий.
ГОСТ 2.103-88 ЕСКД. Стадии разработки.
ГОСТ 2.601-95 ЕСКД. Эксплуатационные документы.
ГОСТ 9.032-74 ЕСЗКС Покрытия лакокрасочные. Группы, технические требования и обозначения.
ГОСТ 9.104-79* ЕСЗКС. Покрытия лакокрасочные. Группы условий эксплуатации.
ГОСТ 9.302-88 ЕСЗКС. Покрытия металлические и неметаллические неорганические. Методы контроля.
ГОСТ 9.303-84* ЕСЗКС. Покрытия металлические и неметаллические неорганические. Общие требования к выбору.
ГОСТ 12.4.009-83 ССБТ. Пожарная техника для защиты объектов. Основные виды. Размещение и обслуживание.
ГОСТ 12.4.026-76 ССБТ. Цвета сигнальные и знаки безопасности.
ГОСТ Р 15.201-2000 Система разработки и постановки продукции на производство. Продукция производственно-технического назначения. Порядок разработки и постановки продукции на производство.
ГОСТ 427-75* Линейки измерительные металлические. Технические условия.
ГОСТ 2405-88 Манометры, вакуумметры, мановакуумметры, напоромеры, тягомеры и тягонапоромеры. Общие технические условия.
ГОСТ 5378-88 Угломеры с нониусом. Технические условия.
ГОСТ 6465-76* Эмали ПФ-115. Технические условия.
ГОСТ 7376-89 Картон гофрированный. Общие технические условия.
ГОСТ 7502-89* Рулетки измерительные металлические. Технические условия.
ГОСТ 14192-96 Маркировка грузов.
ГОСТ 14202-69 Трубопроводы промышленных предприятий. Опознавательная окраска, предупреждающие знаки и маркировочные щитки.
ГОСТ 15150-69 Машины, приборы и другие технические изделия. Исполнения для различных климатических районов. Категории, условия эксплуатации, хранения и транспортирования в части воздействия климатических факторов внешней среды.
ГОСТ 23170-78 Е Упаковка для изделий машиностроения. Общие требования.
ГОСТ 24856-81* Арматура трубопроводная промышленная. Термины и определения.
ГОСТ 25129-82 Грунтовка ГФ-021. Технические условия.
ГОСТ 28352-89 Е Головки соединительные для пожарного оборудования. Типы, основные параметры и размеры.
ГОСТ Р 51049-97 Техника пожарная. Рукава пожарные напорные. Общие технические требования. Методы испытаний.
ГОСТ Р 51057-97 Техника пожарная. Огнетушители переносные. Общие технические требования. Методы испытаний.
НПБ 152-96 Рукава пожарные напорные. Общие технические требования. Методы испытаний.
НПБ 153-96 Головки соединительные для пожарного оборудования. Общие технические требования.
НПБ 154-96 Клапаны для пожарных кранов. Общие технические требования.
НПБ 155-96 Пожарная техника. Огнетушители переносные. Основные показатели и методы испытаний.
НПБ 160-97 Цвета сигнальные. Знаки пожарной безопасности. Виды, размеры, общие технические требования.
НПБ 177-99 Техника пожарная. Стволы пожарные ручные. Общие технические требования. Методы испытаний.
(Измененная редакция. Изм. № 1).












